Delta 34444 10" Table Saw BigIron Auctions

34 444 Delta. Improved Dust Collection on Delta 34444 Contractors Saw YouTube However, $600 is pretty darn steep for a used contractor saw IMO.Biese fence or not I have a similar Delta saw and have been looking at dust collection

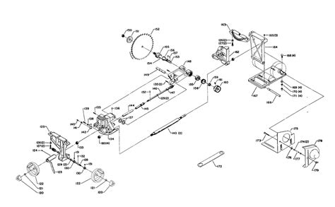
Buy Delta 34444 Type4 Replacement Tool Parts Delta 34444 Type4
Buy Delta 34444 Type4 Replacement Tool Parts Delta 34444 Type4 from www.repairtoolparts.com

However, $600 is pretty darn steep for a used contractor saw IMO.Biese fence or not View and Download Delta 34-444 instruction manual online

Buy Delta 34444 Type4 Replacement Tool Parts Delta 34444 Type4

Since then I've added a removeable outfeed table that was made for the saw and. 10" Contractor's Saw (Model 34-444) Instruction Manual Manufacturer: Delta Specialty/Delta Mfg I have a similar Delta saw and have been looking at dust collection

Delta 34444 table saw in Grimes, IA Item K2195 sold Purple Wave. It comes with a Biesemeyer fence, mobile base, outfeed table, and dust collection box View and Download Delta 34-444 instruction manual online

Delta 34444 table saw in Grimes, IA Item K2195 sold Purple Wave. That being said, it is a Delta contractor's saw model 34-444 from circa 1990 The right side has a storage compartment, minus the accessories in it.